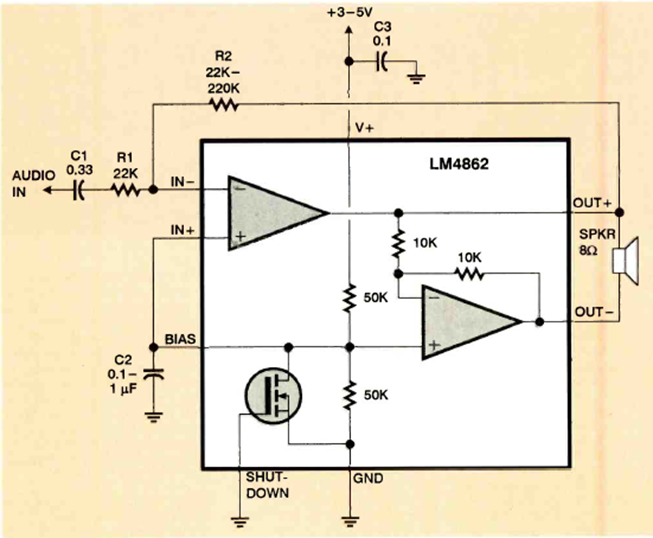
Encontramos este pequeño amplificador de audio en la revista Electronics Now de noviembre de 1999. El circuito integrado utilizado no es muy común hoy en día.
Cuando alguien que ingresa a una ubicación abre uno de los sensores conectados a la puerta SOR, el...
¿Qué tal montar un intercomunicador secreto para conversar con su hermano, vecino o compañero sin que...
Este circuito detecta cuando la temperatura de un congelador, mostrador frigorífico o incluso un...