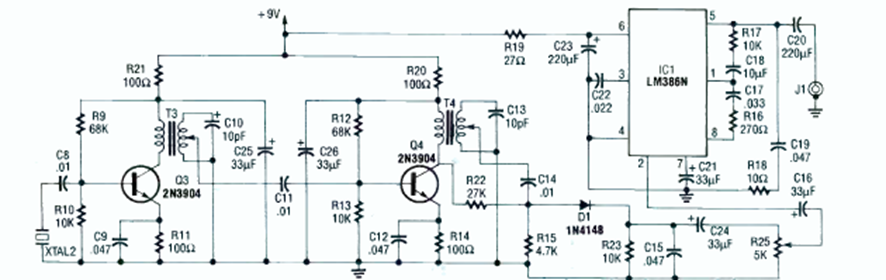
Este es el receptor del circuito anterior que se encontró en la revista Radio Electronics de noviembre de 1991. La frecuencia es de 2,2 MHz, determinada por las bobinas.
Este circuito se puede ajustar para disparar y producir un sonido cuando la luz en el LDR se corta...
Este oscilador Hartley experimental produce señales en el rango de 500 kHz a 1,5 MHz, sirviendo para...
Describimos un simple temporizador o temporizador que puede encender o apagar un aparato eléctrico o...