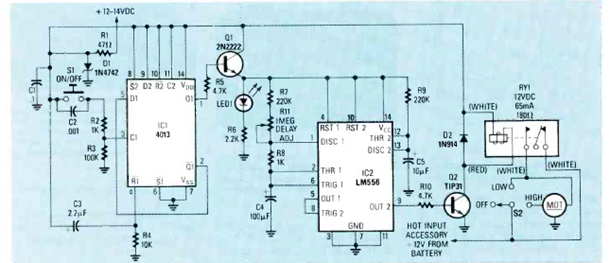
Este interruptor del limpiaparabrisas se encontró en la edición de abril de 1990 de la revista Radio Electronics. El circuito utiliza circuitos integrados que todavía se encuentran disponibles.
Este circuito se puede ajustar para disparar y producir un sonido cuando la luz en el LDR se corta...
Este oscilador Hartley experimental produce señales en el rango de 500 kHz a 1,5 MHz, sirviendo para...
Describimos un simple temporizador o temporizador que puede encender o apagar un aparato eléctrico o...