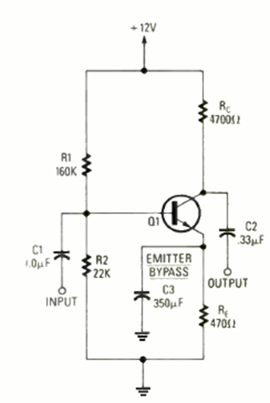
En la figura tenemos la forma de aumentar la ganancia de la etapa amplificadora del circuito anterior. El transistor es de propósito general y el acoplamiento es capacitivo para amplificación de CA.

En la figura tenemos la forma de aumentar la ganancia de la etapa amplificadora del circuito anterior. El transistor es de propósito general y el acoplamiento es capacitivo para amplificación de CA.
