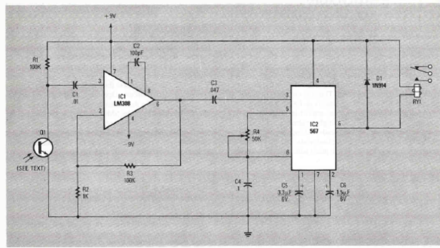
Este circuito es el receptor del transmisor del proyecto anterior. También lo encontramos en el número de 1989 de la revista Radio Electronics Experimenter.
Este circuito se puede ajustar para disparar y producir un sonido cuando la luz en el LDR se corta...
Este oscilador Hartley experimental produce señales en el rango de 500 kHz a 1,5 MHz, sirviendo para...
Describimos un simple temporizador o temporizador que puede encender o apagar un aparato eléctrico o...