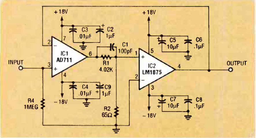
A diferencia del circuito anterior que es de tipo inversor, éste no es inversor. El circuito requiere una fuente de alimentación simétrica y se encontró en la revista Radio Electronics de noviembre de 1992.
Es una broma muy interesante que se puede hacer con la ayuda del circuito propuesto: una lámpara...
Este circuito puede ser utilizado por grupos scouts o campistas que necesitan un sistema de...
Este circuito hace que un relé cierre sus contactos alimentando una carga por un cierto tiempo...