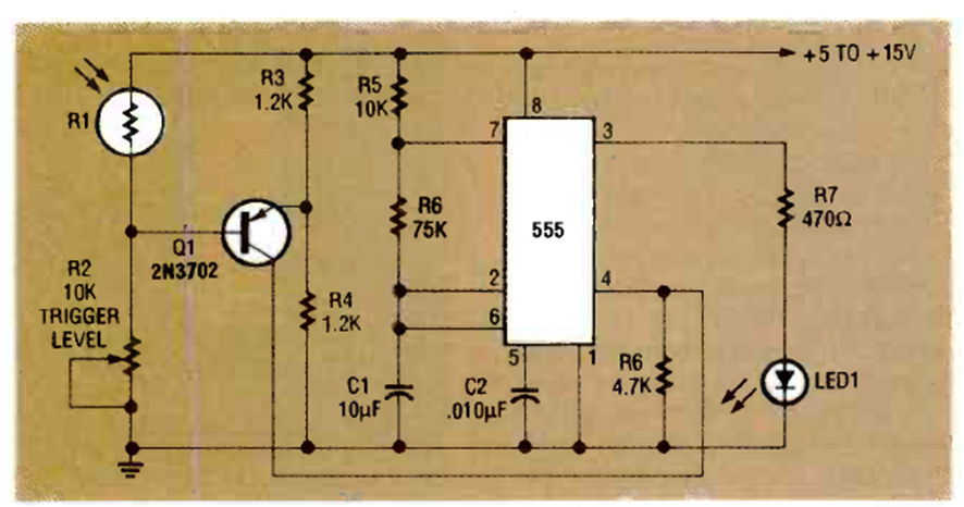
Encontramos este circuito en la edición de noviembre de 1992 de la revista Radio Electronics. El circuito utiliza un LDR como sensor y el transistor puede ser cualquier transistor de propósito general.
Este circuito muy simple fue encontrado en una documentación de 1987. El transformador es del tipo...
Este circuito utiliza un operacional 741 y dos transistores para obtener una tensión regulada que...
L1 tanto puede ser el devanado secundario de un transformador cualquiera de 6 a 12 V con corriente de...