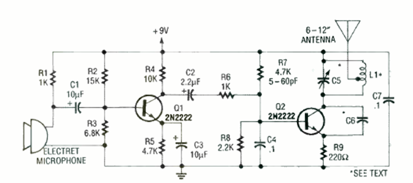
Este sencillo transmisor FM de dos transistores se encontró en la edición de noviembre de 1991 de la revista Radio Electronics. El circuito tiene una bobina de 2+2 vueltas de alambre sin forma de calibre 28 con un diámetro de 1 cm.
La frecuencia máxima de este oscilador, en el caso de 100 kHz, depende del funcionamiento utilizado. La...
A falta de un foto-transistor o de una foto-diodo en una aplicación de emergencia o incluso para...
No es necesario hablar de la utilidad de un inyector de señales para los que saben cómo usar este...