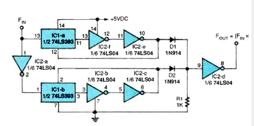
Este circuito TTL que se encuentra en la revista Electronics Now de septiembre de 1996 duplica la frecuencia de una señal rectangular. La fuente de alimentación debe ser de 5 V.
Este circuito muy simple fue encontrado en una documentación de 1987. El transformador es del tipo...
Este circuito utiliza un operacional 741 y dos transistores para obtener una tensión regulada que...
L1 tanto puede ser el devanado secundario de un transformador cualquiera de 6 a 12 V con corriente de...