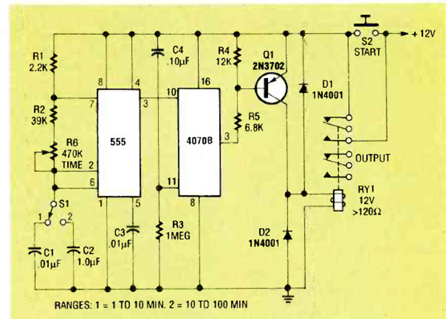
Este circuito se encontró en la edición de noviembre de 1992 de la revista Radio Electronics. El circuito cuenta con una etapa de amplificación para el relé. El relé es de 12 V.
Cuando alguien que ingresa a una ubicación abre uno de los sensores conectados a la puerta SOR, el...
¿Qué tal montar un intercomunicador secreto para conversar con su hermano, vecino o compañero sin que...
Este circuito detecta cuando la temperatura de un congelador, mostrador frigorífico o incluso un...