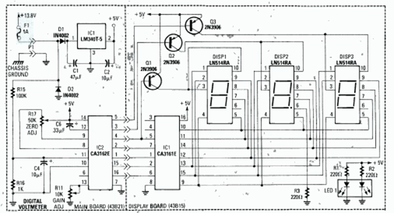
Este circuito de 3 dígitos se encontró en la edición especial de 1992 del Radio Electronics Handbook. El circuito produce un patrón de voltaje para pruebas de banco.
La frecuencia máxima de este oscilador, en el caso de 100 kHz, depende del funcionamiento utilizado. La...
A falta de un foto-transistor o de una foto-diodo en una aplicación de emergencia o incluso para...
No es necesario hablar de la utilidad de un inyector de señales para los que saben cómo usar este...