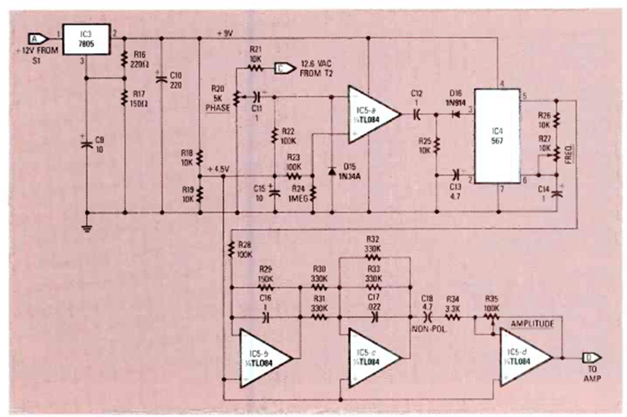
Este circuito fue encontrado como parte de otro proyecto en una revista Radio Electronics de enero de 1988. Las frecuencias están dadas por los capacitores de sincronización.
La frecuencia máxima de este oscilador, en el caso de 100 kHz, depende del funcionamiento utilizado. La...
A falta de un foto-transistor o de una foto-diodo en una aplicación de emergencia o incluso para...
No es necesario hablar de la utilidad de un inyector de señales para los que saben cómo usar este...