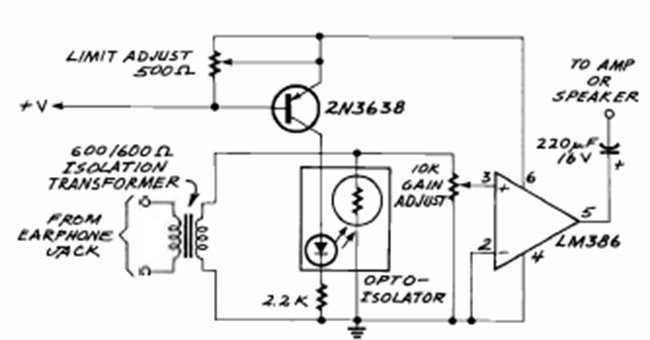
Encontramos este circuito en la edición de enero de 1992 de la revista Radio Electronics. El circuito consta de un control automático de ganancia.
Este simple oscilador emite una señal que produce, en televisores analógicos (rango de VHF y UHF),...
Este relé de luz o sobre, según las posiciones del LDR y de P1 es extremadamente sensible, pues utiliza...
El amplificador operacional utilizado en este circuito no es muy común actualmente y la...