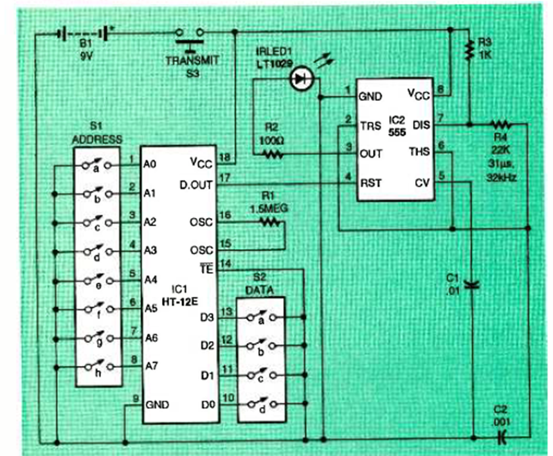
Este antiguo circuito de 4 canales fue encontrado en la revista Electronics Now de diciembre de 1994. El circuito utiliza un 556 como modulador. Anote la clave de programación del código.
La frecuencia máxima de este oscilador, en el caso de 100 kHz, depende del funcionamiento utilizado. La...
A falta de un foto-transistor o de una foto-diodo en una aplicación de emergencia o incluso para...
No es necesario hablar de la utilidad de un inyector de señales para los que saben cómo usar este...