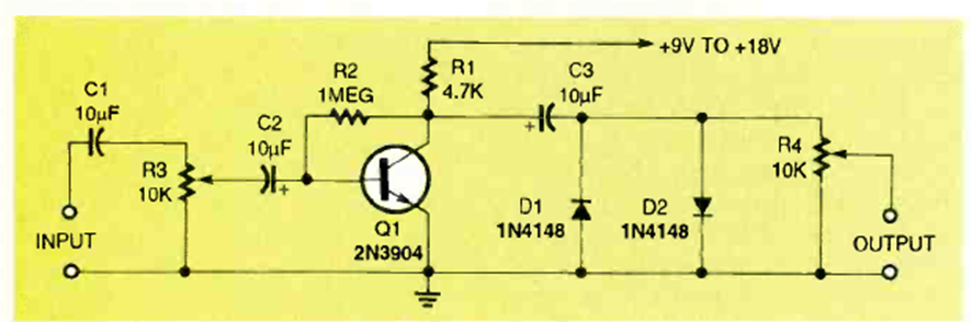
Este circuito es adecuado para su uso en receptores de radio, mejorando la calidad de las estaciones con señales débiles. El circuito fue sugerido por la revista Electronics Now en mayo de 1994.
Este simple oscilador emite una señal que produce, en televisores analógicos (rango de VHF y UHF),...
Este relé de luz o sobre, según las posiciones del LDR y de P1 es extremadamente sensible, pues utiliza...
El amplificador operacional utilizado en este circuito no es muy común actualmente y la...