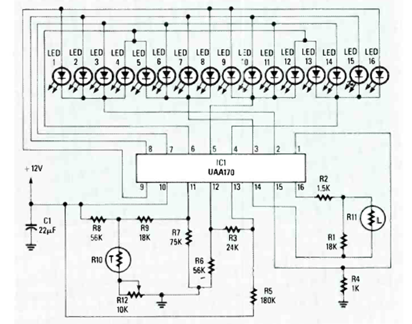
En este sitio existen otras versiones de diversas publicaciones. Esto es del Radio Electronics Experimenter de 1990. El circuito de barras utiliza el UAA170.
La frecuencia máxima de este oscilador, en el caso de 100 kHz, depende del funcionamiento utilizado. La...
A falta de un foto-transistor o de una foto-diodo en una aplicación de emergencia o incluso para...
No es necesario hablar de la utilidad de un inyector de señales para los que saben cómo usar este...