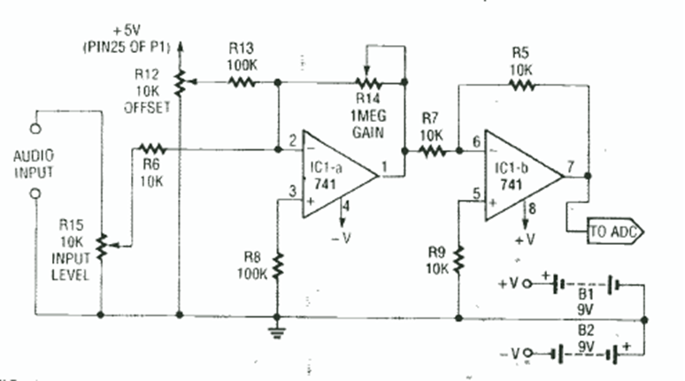
Este circuito, que se encuentra en la revista Radio Electronics de febrero de 1992, está destinado a adaptar una señal de audio para ser utilizada en el ADC de una computadora. Se puede adaptar para funcionar con microcontroladores.
La frecuencia máxima de este oscilador, en el caso de 100 kHz, depende del funcionamiento utilizado. La...
A falta de un foto-transistor o de una foto-diodo en una aplicación de emergencia o incluso para...
No es necesario hablar de la utilidad de un inyector de señales para los que saben cómo usar este...