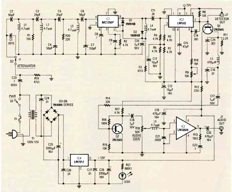
A diferencia del anterior, este circuito está pensado para recibir señales moduladas en frecuencia transmitidas por la red eléctrica. El circuito es de una Radio Electronics de febrero de 1989.
Este circuito muy simple fue encontrado en una documentación de 1987. El transformador es del tipo...
Este circuito utiliza un operacional 741 y dos transistores para obtener una tensión regulada que...
L1 tanto puede ser el devanado secundario de un transformador cualquiera de 6 a 12 V con corriente de...