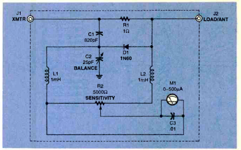
Encontramos este circuito en la revista Electronics Now de marzo de 1999. El indicador utilizado es del tipo analógico. Los valores mostrados dependen de la calibración.
Este circuito muy simple fue encontrado en una documentación de 1987. El transformador es del tipo...
Este circuito utiliza un operacional 741 y dos transistores para obtener una tensión regulada que...
L1 tanto puede ser el devanado secundario de un transformador cualquiera de 6 a 12 V con corriente de...