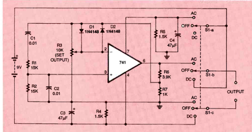
Este circuito proporciona tensiones y una señal de 1 kHz para se medir con puentes. El circuito es de una revista Electronics Now de septiembre de 1995.
La frecuencia máxima de este oscilador, en el caso de 100 kHz, depende del funcionamiento utilizado. La...
A falta de un foto-transistor o de una foto-diodo en una aplicación de emergencia o incluso para...
No es necesario hablar de la utilidad de un inyector de señales para los que saben cómo usar este...