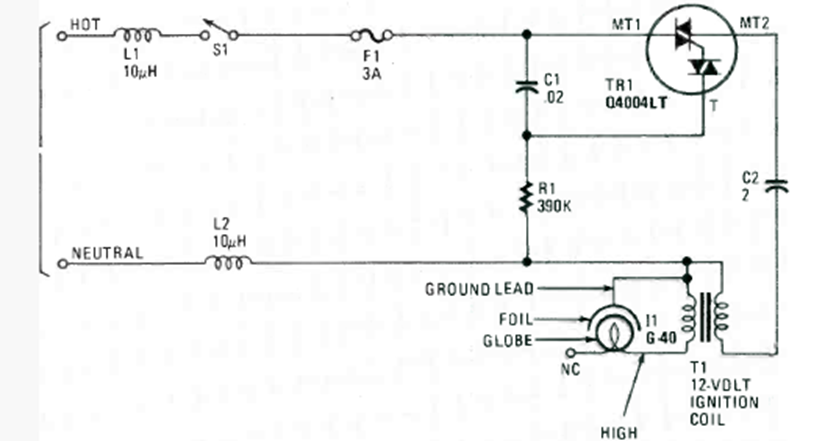
Encontramos este circuito en un Experimentador de Radio Electrónica de 1990. El circuito utiliza una bombilla incandescente común y una bobina de encendido de automóvil.
En la figura tenemos un circuito biestable que acciona LEDs de toques de aleación y desconecta datos...
Observación de la edición actual: este es un experimento que todavía se puede hacer hoy (con...
Es un mezclador que se puede montar con pocos componentes y no necesita fuente de alimentación. Puede...