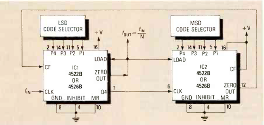
Este circuito de dos dígitos (hasta 99) divide una señal por valores programados por los interruptores BCD. El circuito es de una Radio Electronics de febrero de 1989.
Monte un conjunto de lámparas de neón en un objeto decorativo y conecte el circuito en la red de...
En el oscilador mostrado en la figura 1, la frecuencia de operación depende de los componentes de la...
Este proyecto sirve para mostrar cómo funcionan las usinas de energía eléctrica, convirtiendo energía...