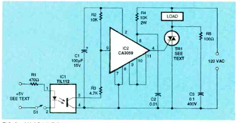
Este circuito utiliza un optoacoplador para conmutar una carga en la red eléctrica. El circuito es de la revista Electronics Now, julio de 1995. El CA3059 no es común hoy en día.
Monte un conjunto de lámparas de neón en un objeto decorativo y conecte el circuito en la red de...
En el oscilador mostrado en la figura 1, la frecuencia de operación depende de los componentes de la...
Este proyecto sirve para mostrar cómo funcionan las usinas de energía eléctrica, convirtiendo energía...