Ideal para usar en el banco, este circuito de dos bandas se obtuvo de la edición de 1995 de la revista Electronics Now. El circuito puede alimentarse con tensiones de 5 a 12 V.
Monte un conjunto de lámparas de neón en un objeto decorativo y conecte el circuito en la red de...
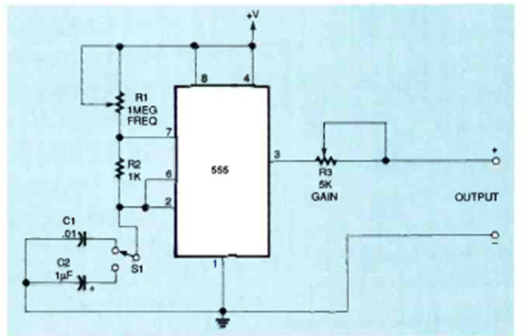
En el oscilador mostrado en la figura 1, la frecuencia de operación depende de los componentes de la...
Este proyecto sirve para mostrar cómo funcionan las usinas de energía eléctrica, convirtiendo energía...