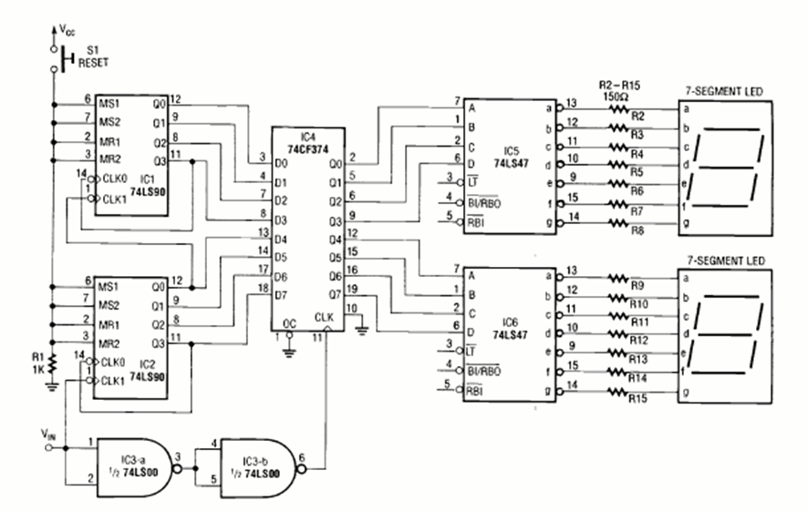
Este contador TTL se encontró en la edición de marzo de 1991 de la revista Radio Electronics. El circuito es parte de un proyecto más grande y debe ser alimentado con una tensión de 5 V.
Monte un conjunto de lámparas de neón en un objeto decorativo y conecte el circuito en la red de...
En el oscilador mostrado en la figura 1, la frecuencia de operación depende de los componentes de la...
Este proyecto sirve para mostrar cómo funcionan las usinas de energía eléctrica, convirtiendo energía...