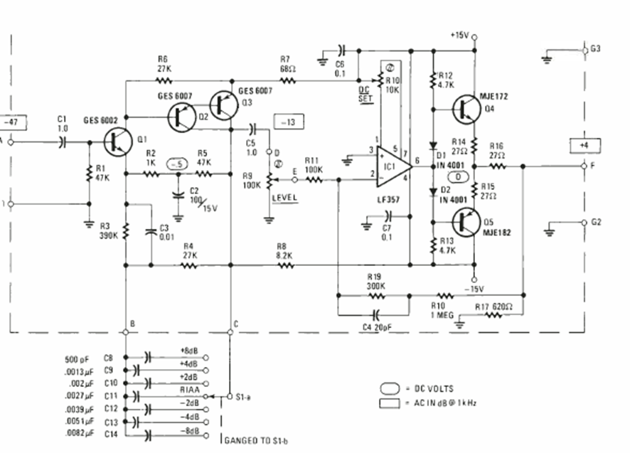
Este circuito fue encontrado en los Radio Electronics Special Projects de 1981. El circuito es estéreo y tiene una ganancia excelente utilizando componentes de la época que aceptan equivalentes modernos.
Cuando alguien que ingresa a una ubicación abre uno de los sensores conectados a la puerta SOR, el...
¿Qué tal montar un intercomunicador secreto para conversar con su hermano, vecino o compañero sin que...
Este circuito detecta cuando la temperatura de un congelador, mostrador frigorífico o incluso un...