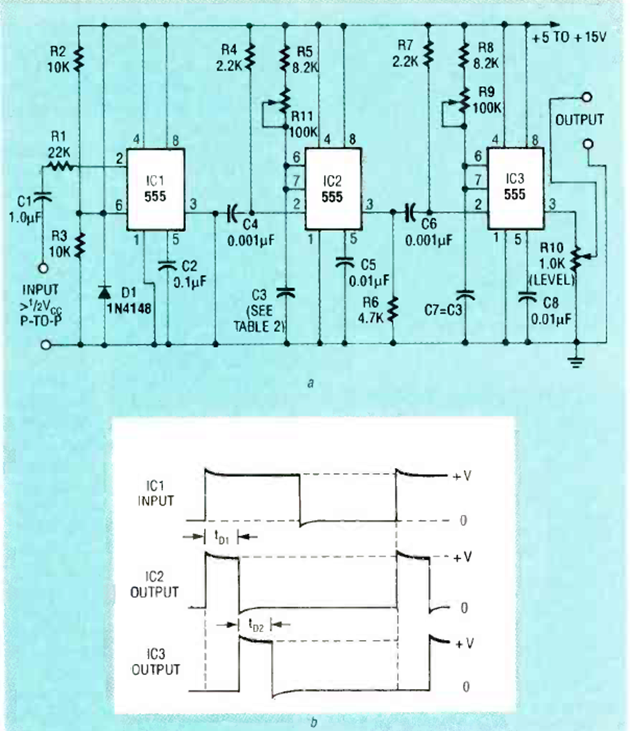
Encontrado en un artículo de la revista Radio Electronics de septiembre de 1992, este circuito genera un pulso como se indica en el gráfico debajo del diagrama. Los tiempos se pueden cambiar cambiando C3 y C7.
Lo que describimos es un pequeño móvil que funciona con pilas comunes. El circuito consiste en un...
Cuando aprieta el gatillo (S1) y el relé abre y cierra los contactos rápidamente produciendo un ruido...
En los estudios de ciencias del primer grado y de física del segundo grado se describe un aparato...