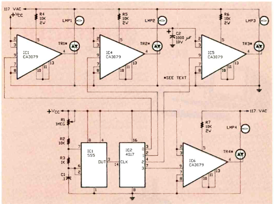
Encontramos este circuito en la revista Radio Electronics de febrero de 1987. Se basa en un disparador triac RCA integrado disponible en ese momento. El circuito alimenta 4 lámparas incandescentes.
Monte un conjunto de lámparas de neón en un objeto decorativo y conecte el circuito en la red de...
En el oscilador mostrado en la figura 1, la frecuencia de operación depende de los componentes de la...
Este proyecto sirve para mostrar cómo funcionan las usinas de energía eléctrica, convirtiendo energía...