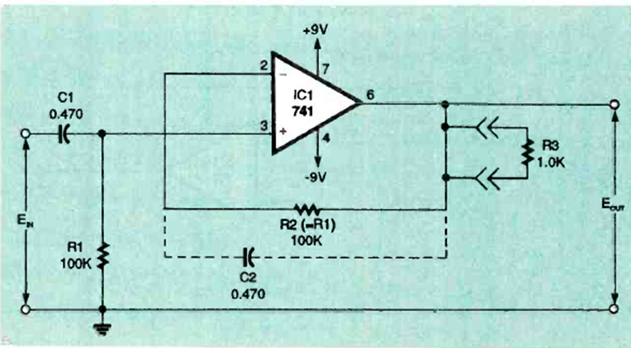
Este circuito fue encontrado en la revista Electronics Now de enero de 1995. Su configuración es válida para otros operacionales. La fuente debe ser simétrica.
Monte un conjunto de lámparas de neón en un objeto decorativo y conecte el circuito en la red de...
En el oscilador mostrado en la figura 1, la frecuencia de operación depende de los componentes de la...
Este proyecto sirve para mostrar cómo funcionan las usinas de energía eléctrica, convirtiendo energía...