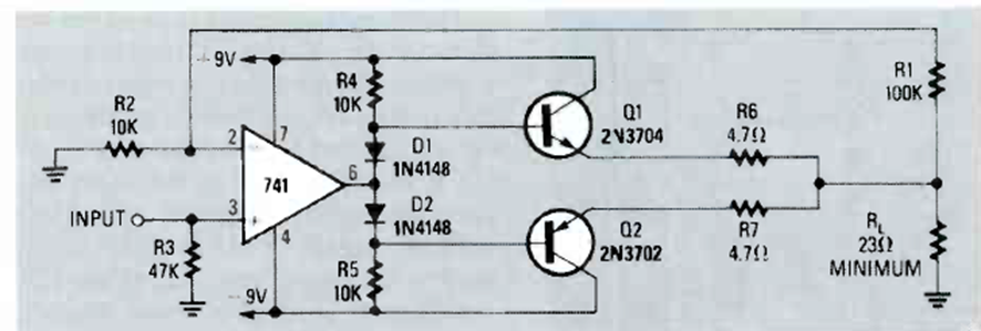
Este amplificador de audio con transistores de uso general en la salida fue encontrado en la revista Radio Electronics de marzo de 1990. La fuente de alimentación debe ser simétrica.
Monte un conjunto de lámparas de neón en un objeto decorativo y conecte el circuito en la red de...
En el oscilador mostrado en la figura 1, la frecuencia de operación depende de los componentes de la...
Este proyecto sirve para mostrar cómo funcionan las usinas de energía eléctrica, convirtiendo energía...