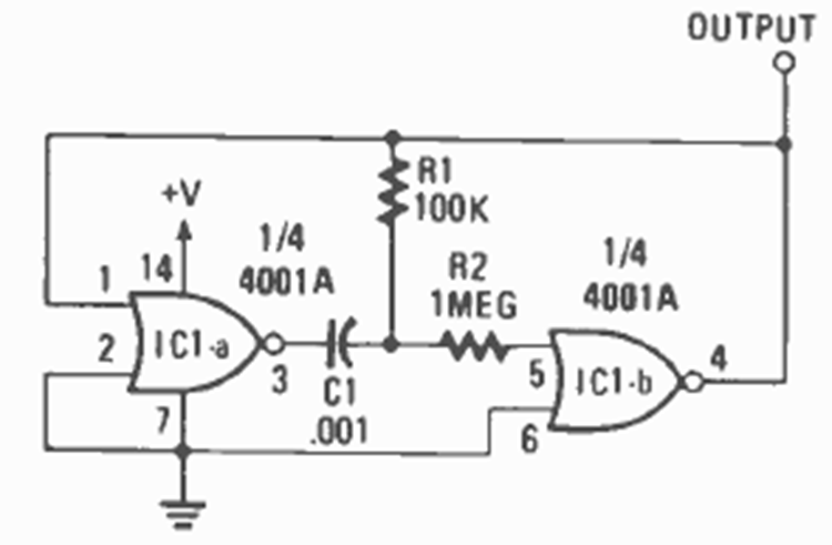
Este oscilador se encontró en la revista Radio Electronics de enero de 1987. La frecuencia viene dada por C1 y la salida tiene buena simetría. La fuente de alimentación suele oscilar entre 3 y 12 V.
Monte un conjunto de lámparas de neón en un objeto decorativo y conecte el circuito en la red de...
En el oscilador mostrado en la figura 1, la frecuencia de operación depende de los componentes de la...
Este proyecto sirve para mostrar cómo funcionan las usinas de energía eléctrica, convirtiendo energía...