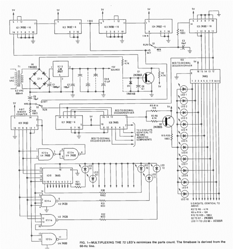
Este interesante circuito en el que la pantalla LED es circular imitando un reloj común apareció en la revista Radio Electronics en mayo de 1977. La fuente de alimentación está incluida.
Cuando alguien que ingresa a una ubicación abre uno de los sensores conectados a la puerta SOR, el...
¿Qué tal montar un intercomunicador secreto para conversar con su hermano, vecino o compañero sin que...
Este circuito detecta cuando la temperatura de un congelador, mostrador frigorífico o incluso un...