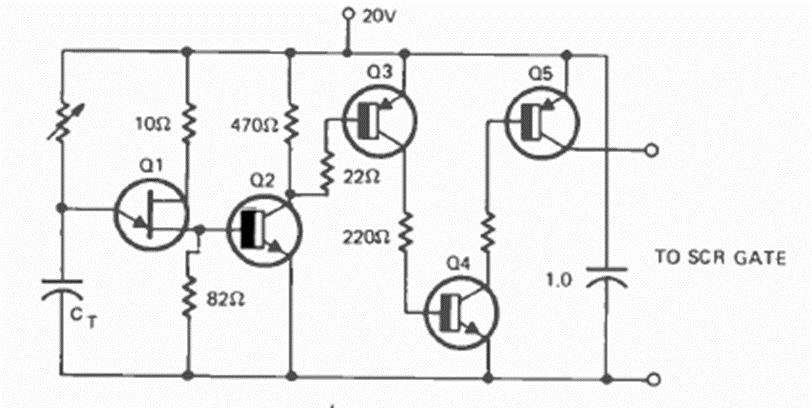
Este circuito generador de impulsos de disparo de transistor unijuntura se encontró en la revista Radio Electronics de marzo de 1973. Los valores típicos para Re CT son 100k y 220 nF.
Este circuito para lógica TTL indica los niveles lógicos de la entrada o aún si la señal presente...
Este transmisor emite señales en el rango FM, pudiendo alcanzar unos pocos metros de distancia. El ajuste...
Este oscilador se encontró en Radio Electronics desde los años 90. C1 y C2 tienen 2700 pF y el...