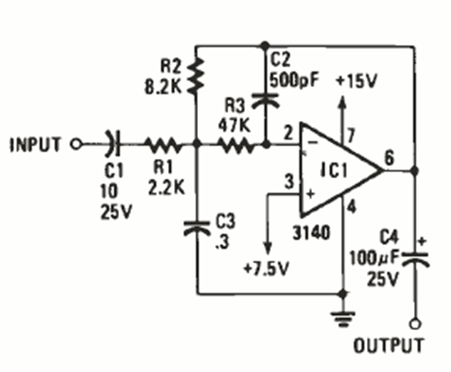
Encontramos este circuito con el CA3140 en la revista Radio Electronics de octubre de 1986. El circuito se puede cambiar para operar en otras frecuencias.

Encontramos este circuito con el CA3140 en la revista Radio Electronics de octubre de 1986. El circuito se puede cambiar para operar en otras frecuencias.
