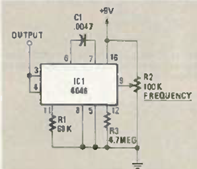
Este circuito fue encontrado en la revista Radio Electronics de noviembre de 1984. La frecuencia está dada por C1 que se puede cambiar a otras bandas.
Lo que describimos es un pequeño móvil que funciona con pilas comunes. El circuito consiste en un...
Cuando aprieta el gatillo (S1) y el relé abre y cierra los contactos rápidamente produciendo un ruido...
En los estudios de ciencias del primer grado y de física del segundo grado se describe un aparato...