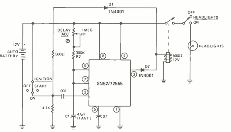
Este circuito fue encontrado en la revista Radio Electronics de febrero de 1976. El circuito está alimentado por 12 V y consta de un temporizador que se activa de forma intermitente.
Lo que describimos es un pequeño móvil que funciona con pilas comunes. El circuito consiste en un...
Cuando aprieta el gatillo (S1) y el relé abre y cierra los contactos rápidamente produciendo un ruido...
En los estudios de ciencias del primer grado y de física del segundo grado se describe un aparato...