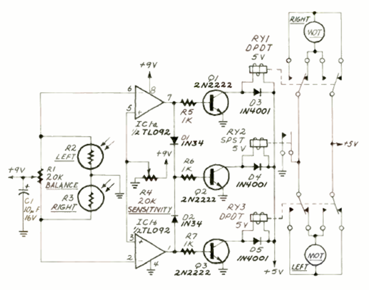
Este interesante circuito sirve para controlar un pequeño robot que busca una fuente de luz. Los sensores son LDR y el circuito tiene un ajuste de equilibrio de sensibilidad. El robot utiliza dos motores y tres relés.
Este circuito es de una publicación para radioaficionados de 1977, presentando una protección...
Este es uno de los muchos circuitos integradores con operacionales que el lector puede encontrar...
Encontramos este circuito en documentación en inglés de los años 80. El circuito se puede hacer con...