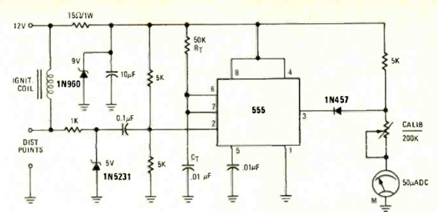
Otro de los muchos circuitos de tacómetro que tenemos en nuestra web. Esto es de la revista Radio Elecronics de septiembre de 1976. El circuito está conectado a los contactos de la placa de platino de un automóvil o a un sensor.
Cuando alguien que ingresa a una ubicación abre uno de los sensores conectados a la puerta SOR, el...
¿Qué tal montar un intercomunicador secreto para conversar con su hermano, vecino o compañero sin que...
Este circuito detecta cuando la temperatura de un congelador, mostrador frigorífico o incluso un...