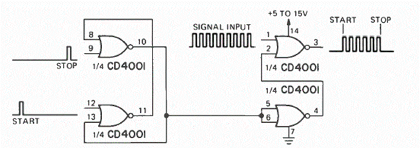
Encontramos este circuito en la revista Radio Electronics de octubre de 1974. Tenga en cuenta las formas de onda obtenidas para las señales de control y la señal controlada.
Lo que describimos es un pequeño móvil que funciona con pilas comunes. El circuito consiste en un...
Cuando aprieta el gatillo (S1) y el relé abre y cierra los contactos rápidamente produciendo un ruido...
En los estudios de ciencias del primer grado y de física del segundo grado se describe un aparato...