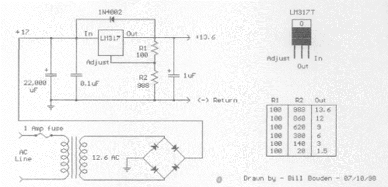
El diagrama es de documentación de los años 90. El circuito integrado debe estar equipado con un disipador de calor. La tabla muestra los valores de los componentes para diferentes tensiones de salida.
Lo que describimos es un pequeño móvil que funciona con pilas comunes. El circuito consiste en un...
Cuando aprieta el gatillo (S1) y el relé abre y cierra los contactos rápidamente produciendo un ruido...
En los estudios de ciencias del primer grado y de física del segundo grado se describe un aparato...