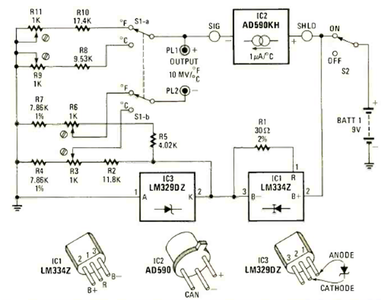
Este circuito se encontró en la revista Radio Electronics de julio de 1978. El circuito utiliza el voltímetro digital común como indicador. Los sensores son circuitos integrados de la época.
El circuito presentado es sugerido por Motorola y consiste en un amplificador con impedancia muy alta de...
Este circuito oscila en el quinto armónico de la frecuencia del cristal utilizado. Se puede...
Este receptor pertenece a una publicación de 1922 de Hugo Gersnback. La bobina puede estar formada...