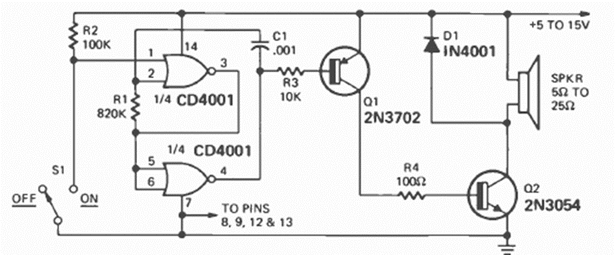
Este circuito de alarma fue recomendado por la revista Radio Electronics en diciembre de 1974. El transistor de potencia puede proporcionar salidas de 0,25 W a 11 E dependiendo de la fuente de alimentación y debe montarse en un disipador de calor.
Lo que describimos es un pequeño móvil que funciona con pilas comunes. El circuito consiste en un...
Cuando aprieta el gatillo (S1) y el relé abre y cierra los contactos rápidamente produciendo un ruido...
En los estudios de ciencias del primer grado y de física del segundo grado se describe un aparato...