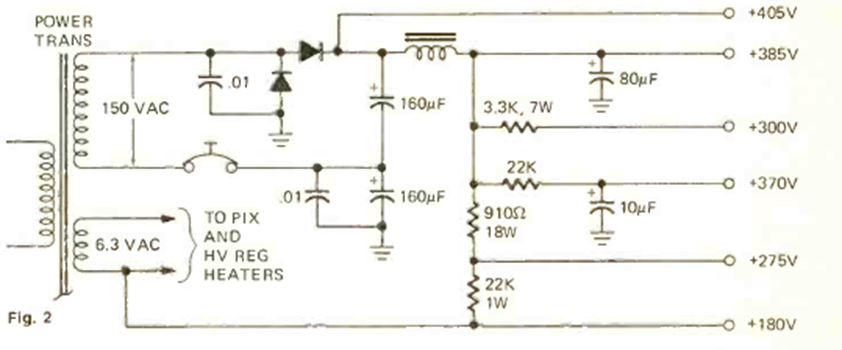
Esta fuente de alimentación apareció en la revista Radio Electronics en diciembre de 1973. Este tipo de circuito se utilizaba en aquella época para alimentar televisores de válvulas.
El circuito presentado es sugerido por Motorola y consiste en un amplificador con impedancia muy alta de...
Este circuito oscila en el quinto armónico de la frecuencia del cristal utilizado. Se puede...
Este receptor pertenece a una publicación de 1922 de Hugo Gersnback. La bobina puede estar formada...