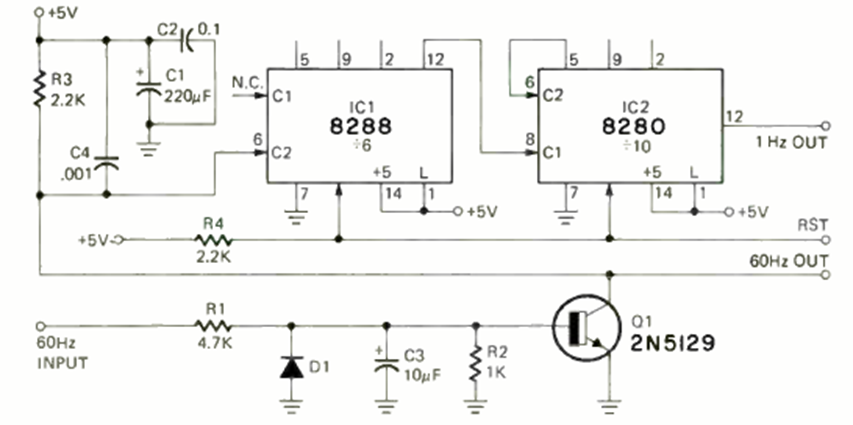
Este circuito de base de tiempo lo encontramos en un proyecto de temporizador de la revista Radio Electronics de agosto de 1972. El circuito aprovecha la señal de 60 Hz de la red eléctrica.
Cuando alguien que ingresa a una ubicación abre uno de los sensores conectados a la puerta SOR, el...
¿Qué tal montar un intercomunicador secreto para conversar con su hermano, vecino o compañero sin que...
Este circuito detecta cuando la temperatura de un congelador, mostrador frigorífico o incluso un...