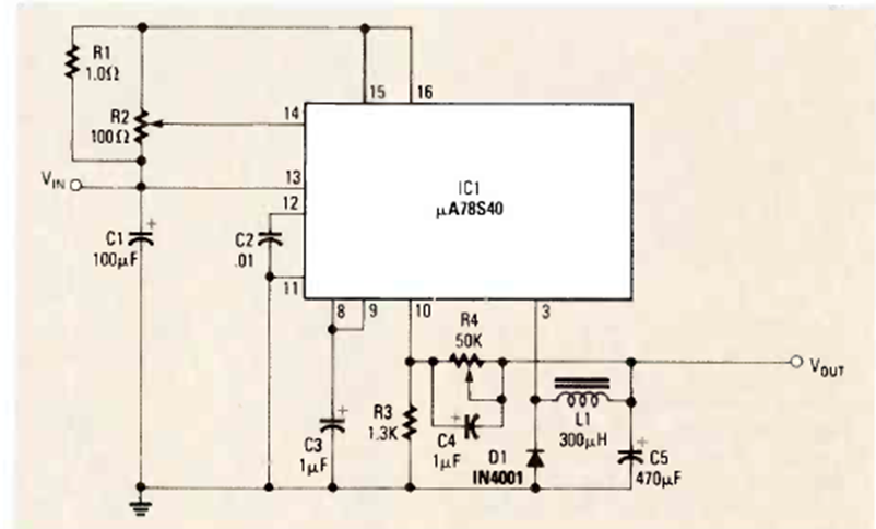
Con una entrada de 10 V, este circuito proporciona una salida de 25 V. El circuito es de Radio Electronics de diciembre de 1985.
Se presenta una prueba simple de transistores NPN y PNP que, además de decir si el componente está bien,...
Si usted necesita un circuito para producir un tono continuo en un bocadillo o cápsula...
Cuando un pulso de luz incide en el LDR, este circuito dispara un temporizador monoestable 555 que acciona...