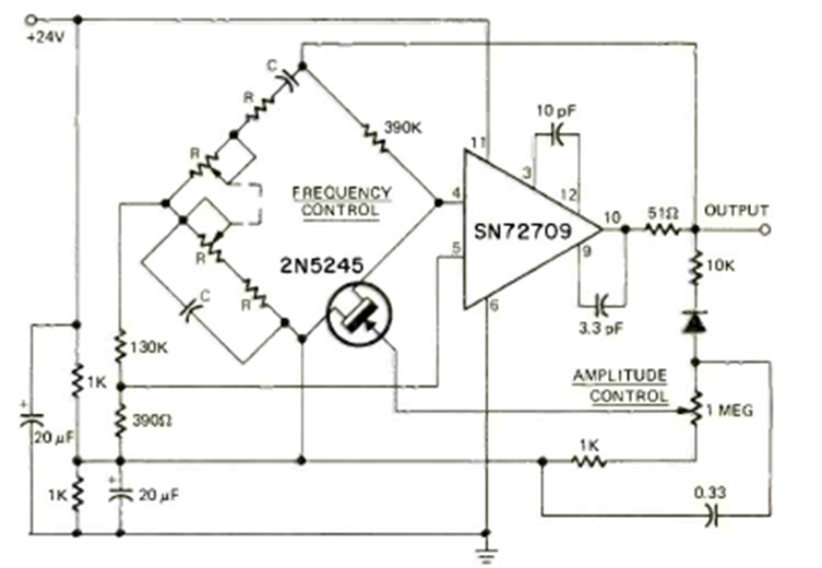
Este circuito oscilador de puente de Viena utiliza un amplificador Texas Instruments 709. Lo encontramos en un artículo de la revista Radio Electronics de septiembre de 1972. La alimentación se suministra mediante una tensión de 24 V.
Se presenta una prueba simple de transistores NPN y PNP que, además de decir si el componente está bien,...
Si usted necesita un circuito para producir un tono continuo en un bocadillo o cápsula...
Cuando un pulso de luz incide en el LDR, este circuito dispara un temporizador monoestable 555 que acciona...