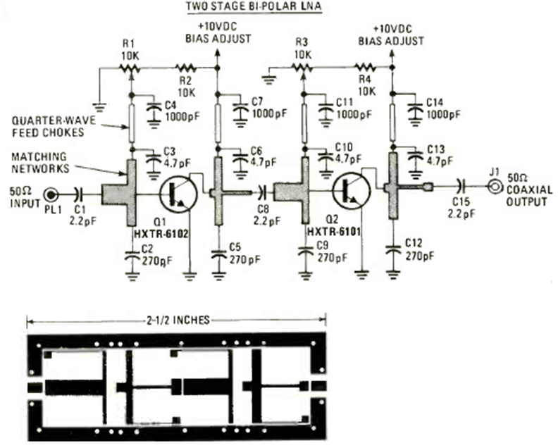
Este circuito, utilizado en la recepción de televisión por satélite de la década de 1980, se encontró en la revista Radio Electronics de marzo de 1980. Observe el diseño de la placa.
Se presenta una prueba simple de transistores NPN y PNP que, además de decir si el componente está bien,...
Si usted necesita un circuito para producir un tono continuo en un bocadillo o cápsula...
Cuando un pulso de luz incide en el LDR, este circuito dispara un temporizador monoestable 555 que acciona...