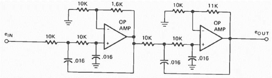
Este circuito con una atenuación de 24 dB por octava se encontró en la revista Radio Electronics de noviembre de 1973. Los componentes son para 1 kHz, pero se pueden recalcular para otras frecuencias.
Se presenta una prueba simple de transistores NPN y PNP que, además de decir si el componente está bien,...
Si usted necesita un circuito para producir un tono continuo en un bocadillo o cápsula...
Cuando un pulso de luz incide en el LDR, este circuito dispara un temporizador monoestable 555 que acciona...