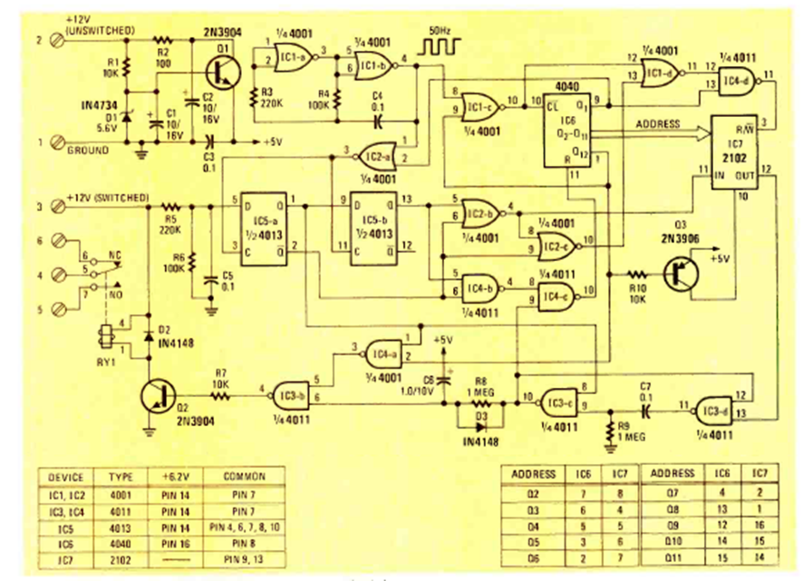
Este sofisticado circuito fue encontrado en la revista Radio Electronics de noviembre de 1978. Basado en lógica CMOS, tiene varios tipos de temporización, controlando el relé del limpiaparabrisas.
Se presenta una prueba simple de transistores NPN y PNP que, además de decir si el componente está bien,...
Si usted necesita un circuito para producir un tono continuo en un bocadillo o cápsula...
Cuando un pulso de luz incide en el LDR, este circuito dispara un temporizador monoestable 555 que acciona...