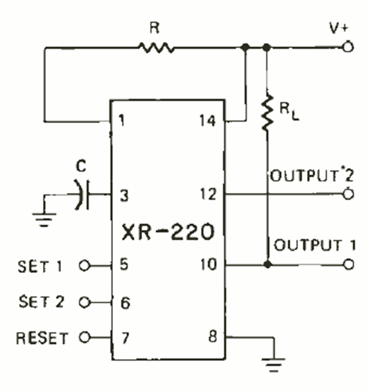
Este circuito integrado estaba destinado a competir con el 555 en los años 70. El circuito proporcionado es la versión básica que se encuentra en un artículo de la revista Radio Electronics de octubre de 1972. La fuente de alimentación suele ser de entre 3 y 15 V.




